Top Seiko Optical Lenses Manufacturer

Clairvu™ Image Signal Processing Engine
CIS Cameras / CIS IP Image Processing Software and Algorithm Catalogs

Clairvu™ Image Signal Processing Engine:
CIS own designed, algorithm engine for Full HD and 4K 240p (8K 60p) camera signal processing.High Resolution, low pseudo‐color and low artifact CI (Color Interpolation) process produces video image quality equivalent to that of digital single-lens reflex camera.We offer hardware IP licenses such as HDR, 3DNR, DRE, and Dehaze processes which are modular in design and fully optimized for implementation on off-the-shelf FPGAs.You can choose any combination of IPs to achieve exceptional image quality.

ip-clairvu Clairvu™- Full HD, 4K 240p (8K 60p) Image Signal Processing Engine
High Resolution, low pseudo‐color and low artifact CI (Color Interpolation) process produces video image quality equivalent to that of digital single-lens reflex camera.
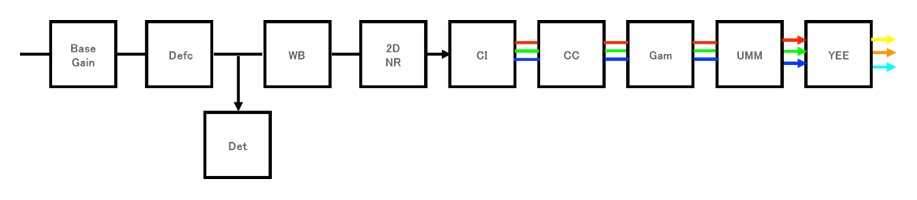
Clairvu™ baseline configuration
Feature
High Quality Image
High resolution, low pseudo‐color, and low noise color interpolation process produces high quality images equivalent to that of non‐real time PC‐based DPE application software.
Precision Color Reproduction
Enables precise color reproduction by way of sophisticated color compensation technology (multiple‐axis division of the color plain).
High Speed yet Cost Effective
Algorithm engine that processes up to 8K image signals can be implemented into a relatively small, a medium sized FPGA. It processes 4K image signals at 240fps and 8K image signals at 60fps.
Baseline Modules
Noise Reduction (2DNR)
Noise reduction by spatial filter.
Color Interpolation (CI)
Color interpolation process produces color images out of signal output from Bayer array color sensor, and significantly affects its image quality. “Clairvu™” enables high resolution, low pseudo-color, and low noise at the same time.
ip-clairvu_en
Color Correction (CC)
Enables finely-tuned color adjustment by applying different correction factor to the region color-by-color.
ip-clairvu Edge Enhancement (YEE)
Sharpens the edge of images.
ip-clairvu Optional Modules
Noise Reduction (3DNR)
Along with NR by spatial filter, CIS developed 3DNR to calculate the data among frames. 3DNR process reduces temporal noises without losing sharpness/acutance of the images.
ip-clairvu Wide Dynamic Range (WDR)
Synthesizes two images with different exposure, and produces composite image with wide dynamic range. Proper contrast and adequate color tone are kept.
ip-clairvu_en
Dehaze
Removes the haze from image by way of enhancing contrast locally.
ip-clairvu_en
ip-clairvu_en
Dynamic Range Enhancer (DRE)
Improves image visibility by way of brightening only dark areas of the image.
ip-clairvu_en
Others
Function to correct optical lens characteristics such as shading and distortion, function to control flicker, and others can be implemented.

Get In Touch With Us
If you have any problems or suggestions about the CIS cameras, please contact Viewsecctv, we will reply as soon as possible.
Get Quote